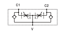
DFR-VNR

Divisore - riunificatore di flusso con valvola di non ritorno
DFR-VNR
Scarica il PDF
DIVISORI
DFR-VNR
Divisore - riunificatore di flusso con valvola di non ritorno
Codice DFR-38
Q (l/min)
DFR-12
Q (l/min)
01 3÷6 -
02 7÷12 -
03 13÷25 -
04 - 26÷40
05 - 40÷70
Codice DFR-38 DFR-12
Pressione massima 300 bar 300 bar

Dati e tarature ottenuti usando olio con viscosità 30 cSt a 50°C
Viscosità consigliate 10 ÷ 420 cSt
Temperature di lavoro -20 ÷ +90 °C
Filtrazione assoluta 25 μm