OVC3008-C-3P

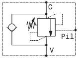
Valvola overcenter a cartuccia
OVC3008-C-3P
Scarica il PDF
CARTUCCE
OVC3008-C-3P
Valvola overcenter a cartuccia
Portata massima 30 l/min
Pressione massima 350 bar
Rapporto di pilotaggio standard 4:1
Rapporti di pilotaggio a richiesta 3:1
Coppia di serraggio 30÷35 Nm
 
Taratura La valvola deve essere tarata almeno 1,3 volte la massima pressione indotta dal carico
Codice Taratura standard
bar (Q= 5l/min)
Campo di taratura
bar
Colore molla
01 100 20÷200 Bianco
02 280 50÷350 Nero
 

Dati e tarature ottenuti usando olio con viscosità 30 cSt a 50°C
Viscosità consigliate 10 ÷ 420 cSt
Temperature di lavoro -20 ÷ +90 °C
Filtrazione assoluta 25 μm

Esempi di ordinazione: OVC3008C023P