OVC2008-C

Valvola overcentre a cartuccia
OVC2008-C
Scarica il PDF
CARTUCCE
OVC2008-C
Valvola overcentre a cartuccia
Portata massima 30 l/min
Pressione massima 350 bar
Rapporto di pilotaggio standard 4:1
Rapporti di pilotaggio a richiesta 3:1 8:1 10:1
Coppia di serraggio 30÷35 Nm
 
Taratura La valvola deve essere tarata almeno 1,3 volte la massima pressione indotta dal carico
Codice Taratura standard
bar (Q= 5l/min)
Campo di taratura
bar
Colore molla
01 100 20÷200 Bianco
02 280 50÷350 Nero
 

Dati e tarature ottenuti usando olio con viscosità 30 cSt a 50°C
Viscosità consigliate 10 ÷ 420 cSt
Temperature di lavoro -20 ÷ +90 °C
Filtrazione assoluta 25 μm

Esempi di ordinazione: OVC2008C02

codice
descrizione
portata max
pressione max
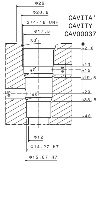
cavità
3dfiles

(sigla di ordinazione)

l/min

gpm

bar

psi

OVC00539
OVC2008C02
30
7.93
350
5076
OVC00543
OVC2008C01
30
7.93
350
5076
OVC00673
OVC2008C02 140 BAR
30
7.93
350
5076