OVC150CC-C

Valvola overcentre a cartuccia compensata in pressione
OVC150CC-C
Scarica il PDF
CARTUCCE
OVC150CC-C
Valvola overcentre a cartuccia compensata in pressione
Portata massima 150 l/min
Pressione massima 350 bar
Rapporto di pilotaggio standard 4:1
Rapporto di pilotaggio a richiesta 3:1 8:1 10:1
Coppia di serraggio 180÷210 Nm
 
Taratura La valvola deve essere tarata almeno 1,3 volte la massima pressione indotta dal carico
Codice Taratura standard
bar (Q= 5l/min)
Campo di taratura
bar
Colore molla
01 100 20÷200 Bianco
02 280 50÷350 Nero
 

Esempi di ordinazione: OVC150CCC02

Dati e tarature ottenuti usando olio con viscosità 30 cSt a 50°C
Viscosità consigliate 10 ÷ 420 cSt
Temperature di lavoro -20 ÷ +90 °C
Filtrazione assoluta 25 μm

codice
descrizione
portata max
pressione max
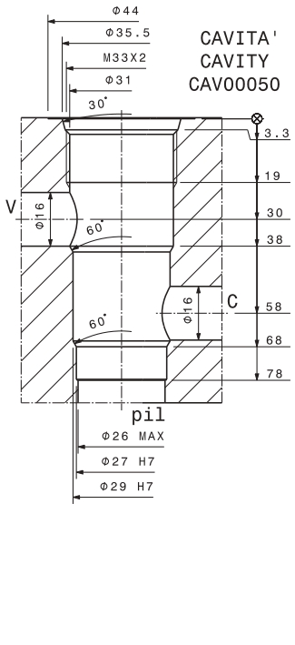
cavità

(sigla di ordinazione)

l/min

gpm

bar

psi

OVC00462
OVC150CCC01
150
39.63
350
5076
OVC00463
OVC150CCC01
150
39.63
350
5076
OVC00722
OVC150CCC02 R.P. 8:1
150
39.63
350
5076
OVC00721
OVC150CCC01 R.P. 8:1
150
39.63
350
5076
OVC00717
OVC150CCC02 210 BAR
150
39.63
350
5076