DM41

Ручной распределитель - сталь
DM41
Скачать PDF
Рычажное управление
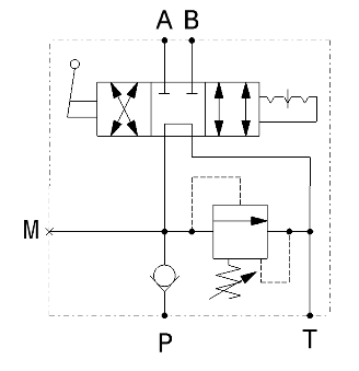
DM41
Ручной распределитель - сталь
Максимальная грузоподъемность 10 л/мин
Максимальное давление 400 бар

 

Калибровка ограничивающего клапана давления
Стандартная калибровка Калибровочное поле
360 бар 60÷400 бар

Данные и калибровка получены с использованием масла вязкостью 30 cSt при 50°C

Рекомендуемая вязкость 10 ÷ 420 cSt

Рабочая температура -20 ÷ +90 °C

Полная фильтрация 25 μm

Категории